MetalTec CK 35 x 400 (Комплектация ПРОМ+) - Токарный станок ЧПУ с горизонтальной станиной
Ø обработки: 350 мм
Расстояние между центрами: 400 мм
Мощность двигателя: 5,5 кВт
Система ЧПУ: Siemens/Fanuc
Тип направляющих: Качения
Вес: 2000 кг
Гарантия 1 год
Доставка БЕСПЛАТНО
Пуско-наладка БЕСПЛАТНО
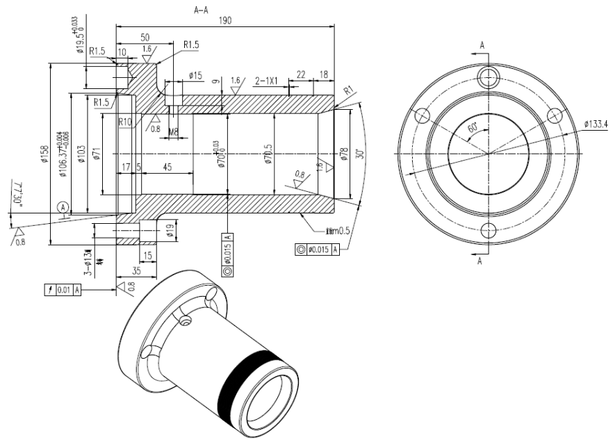
Технические характеристики
-
Модель MetalTec CK 35x400
-
Макс. диаметр обработки над станиной, мм 350
-
Макс. диаметр обработки над суппортом, мм 180
-
Расстояние между центрами, мм 400
-
Тип станины Монолитная станина из чугуна
-
Твердость направляющих станины HRC 50
-
Ширина станины, мм 350
-
Направляющие по оси Z Качения (Тайвань)
-
Направляющие по оси Х Качения (Тайвань)
-
Стойка управления Siemens 808D Advanced
-
Серводвигатели Siemens
-
Диаметр проходного отверстия в шпинделе, мм 45
-
Торец шпинделя А2-5
-
Конус шпинделя MT6
-
Патрон, мм 200
-
Скорость вращения 2500 об/мин
-
Ход по оси Х, мм 350
-
Ход по оси Z, мм 250
-
Х,Z ускоренная подача , м/мин 10/12
-
Тип установки инструмента, мм6-ти позиционная револьверная голова
-
Количество устанавливаемого инструмента 6
-
Размер инструмента, мм 20 x 20
-
Мощность шпинделя, кВт 5,5
-
Мощность системы охлаждения, Вт 120
-
Длина, мм 2050
-
Ширина, мм 1400
-
Высота, мм 1620
-
Вес, кг 1800
-
Длина , мм 2220
-
Ширина, мм 1650
-
Высота, мм 1880
-
Вес, кг 2000
Конструктивные особенности
НАЗНАЧЕНИЕ:
Токарный станок с ЧПУ - MetalTec CK 35x400 предназначен для производства различных типов металлических изделий. Данный тип станков широко используется в образовательных учреждениях, на опытных производствах, на предприятиях металлообрабатывающей отрасли.
Высокие технические характеристики станка и его надежность гарантированы за счет установленных компонентов и узлов от ведущих мировых производителей, что позволяет использовать его для обработки деталей с высокой точностью и повторяемостью.
ОБЛАСТЬ ПРИМЕНЕНИЯ:
За счет монолитной чугунной станины данный станок обладает достаточной жесткостью и точностью, чтобы производить изделия на серийном производстве.
Высокая надежность и точность в совокупности с небольшими габаритными размерами делают данный станок незаменимым на любом производстве, где необходима автоматизация процессов точения изделий из металла и пластика.
ОСОБЕННОСТИ:
- Моноблочная цельнолитая станина из чугуна обеспечивает высокую жесткость станку
- Жесткие направляющие качения
- Полное кабинетное ограждение
- Проходное отверстие шпинделя 49 мм
- Станина имеет индукционную закалку с твердостью HRC50
- Шпиндель с высокоточными и надежными подшипниками обеспечивает жесткость и точность
- Ширина станины 350 мм, что обеспечивает высокую устойчивость к вибрациям и высоким нагрузкам
- Оригинальные компоненты SIEMENS с увеличенной гарантией на 12 месяцев
ПРЕИМУЩЕСТВА:
- Гарантия 2 года
- Эргономичный дизайн и удобное расположение основных модулей станка
- Монолитная литая станина из чугуна является гарантом высокой жесткости и долговечности станка
- Чугунная станина сводит на нет рабочие вибрации
- Мощный двигатель для стабильной и высоко производительной работы
- Подача смазочно-охлаждающей жидкости в зону резки
- Кабинетная защита
- Шкаф с электрокомпонентами, степень защиты IP54






















